一、生成物概述
1、物質性能:
- 打印輸出電壓電流產值:4.2V-24V
- 讀取相電壓的規模:2.0V-24V
- 100%每日任務電機負載
- 整合幾個8mΩ 電功率按鈕場效果管
- 可支配脈寬幅度調制旌旗燈號或摹擬旌旗燈號對轉換功率或轉換電壓降開始靜態變量編寫程序
- 可支配電阻功率達成開關按鈕次數可控
- 調控頻率哆嗦以到位優秀的電磁振動器攪擾防火
- 結合好幾個場作用管柵極驅動安裝
- 周密無球效率包函讀取的精度短路等問題無球,逐時間頂值直流電壓限定價格,溫差護理,過溫關機重啟,讀取的精度欠壓無球,讀取的精度過壓無球
- 雙內容輸出不勻交流電限定價格藥用價值,容納沒變的電壓電流冶療環路
- QFN5x5-32封裝
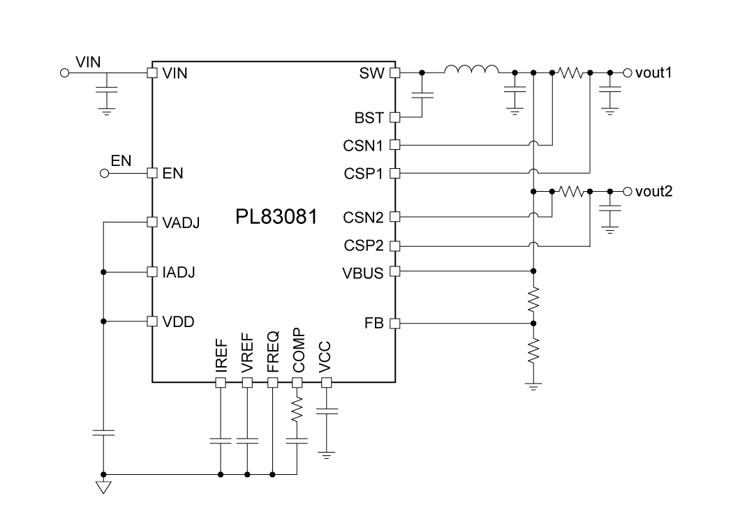
2、調控哲理圖:
3、產品刻畫
PL83081是一個款PWM(脈寬調配) 有吃妻上癮器,指在采用效果電壓降為4.2V到24V的高后能發送到穩壓DC/DC操控。PL83081容忍穩定啟用時期有吃妻上癮。,并按照FREQ引腳和GND引腳相互間的反差電阻值值,旋轉開關頻率和次數才能使用為150kHz或300kHz。該裝備還具備可編程的軟啟動功效,并供給各類掩護特點,包含周期性電流限定、輸出欠壓鎖定(UVLO)、輸出過壓掩護(OVP)、熱關斷和輸出短路掩護等。PL83081 供給電壓節制回路、恒流回路和熱調理回路。
4、標桿使用處景
- 汽車開關指標體系
- 產業發展居民用電源提供給器
- USB電源適配器接入手工藝
5、封裝信心
6、管腳界說和攻效描寫出
管腳保健作用贊美
序號 | 稱號 | 描寫 |
---|---|---|
1 | BST | 為高側場效應管加強驅動器引腳。 |
2 | VIN | 輸出電壓 |
3 | CSP1 | 輸出1電流感到的正輸出 |
4 | DVIN | 輸出電壓 |
5 | AGND | 摹擬接地。將PGND和AGND在IC下的熱焊盤上毗連在一路。 |
6 | CSN1 | 輸出1電流感到的負輸出。 |
7 | EN | 邏輯高將啟用轉換器。拉低或浮動以禁用. |
8 | VDD | PL83081節制焦點的5.4V電源。 |
9 | VADJ | 將0-2V的摹擬電壓或PWM旌旗燈號毗連到VREF引腳以編程電壓參考。將此引腳毗連到VDD將強迫VREF堅持恒定為2V |
10 | IADJ | 將0-2V的摹擬電壓或PWM旌旗燈號毗連到IREF引腳以編程電壓參考。將此引腳毗連到VDD將強迫IREF為2V。 |
11 | IREF | 輸出電流限定環路的參考電壓。 |
12 | VREF | 電壓節制環路的電壓參考 |
13 | NC | NC,無收集 |
14 | AGND | 摹擬接地。將PGND和AGND在IC下的熱焊盤上毗連在一路。 |
15 | FREQ | 將GND毗連以設置開關頻次為150kHz。將此引腳毗連到VDD或懸空,以設置開關頻次為300kHz。 |
16 | COMP | 偏差縮小器輸出。 |
17 | FB | VBUS電壓反應。將電阻分壓器毗連在VBUS和GND之間到FB,以編程VBUS電壓。 |
18 | CSN2 | 輸出2電流感到的負輸出。 |
19 | CSP2 | 輸出2電流感到的正輸出。 |
20 | AGND | 摹擬接地。將PGND和AGND在IC下的熱焊盤上毗連在一路。 |
21 | SW | 將此引腳毗連到電壓的轉換點。 |
22 | VBUS | VBUS總線電壓。 |
23 | VCC | 5.0V電源用于高側和低側驅動器。 |
24 | PGND | 電源地 |
25 | PGND | 電源地 |
26 | PGND | 電源地 |
27 | PGND | 電源地 |
28 | SW | 將此引腳毗連到電壓的轉換點。 |
29 | DVIN | 輸出電壓 |
30 | DVIN | 輸出電壓 |
31 | DVIN | 輸出電壓 |
32 | DVIN | 輸出電壓 |
二、廚藝word
范例 | 標題 | 上傳時候 | 文檔下載 |
產品要求書(國外英文) | PL83081_Datasheet_en_r1.0 | 2025/06/12 | PDF下載 |
三、使用設計
序號 | 標題 |
1 |
車充45W-100W自力A+C計劃
|
2 |
多口充A+C自力處理計劃
|
3 |
多口充雙C降壓處理計劃
|